Ložisko 2309 2RS - CX

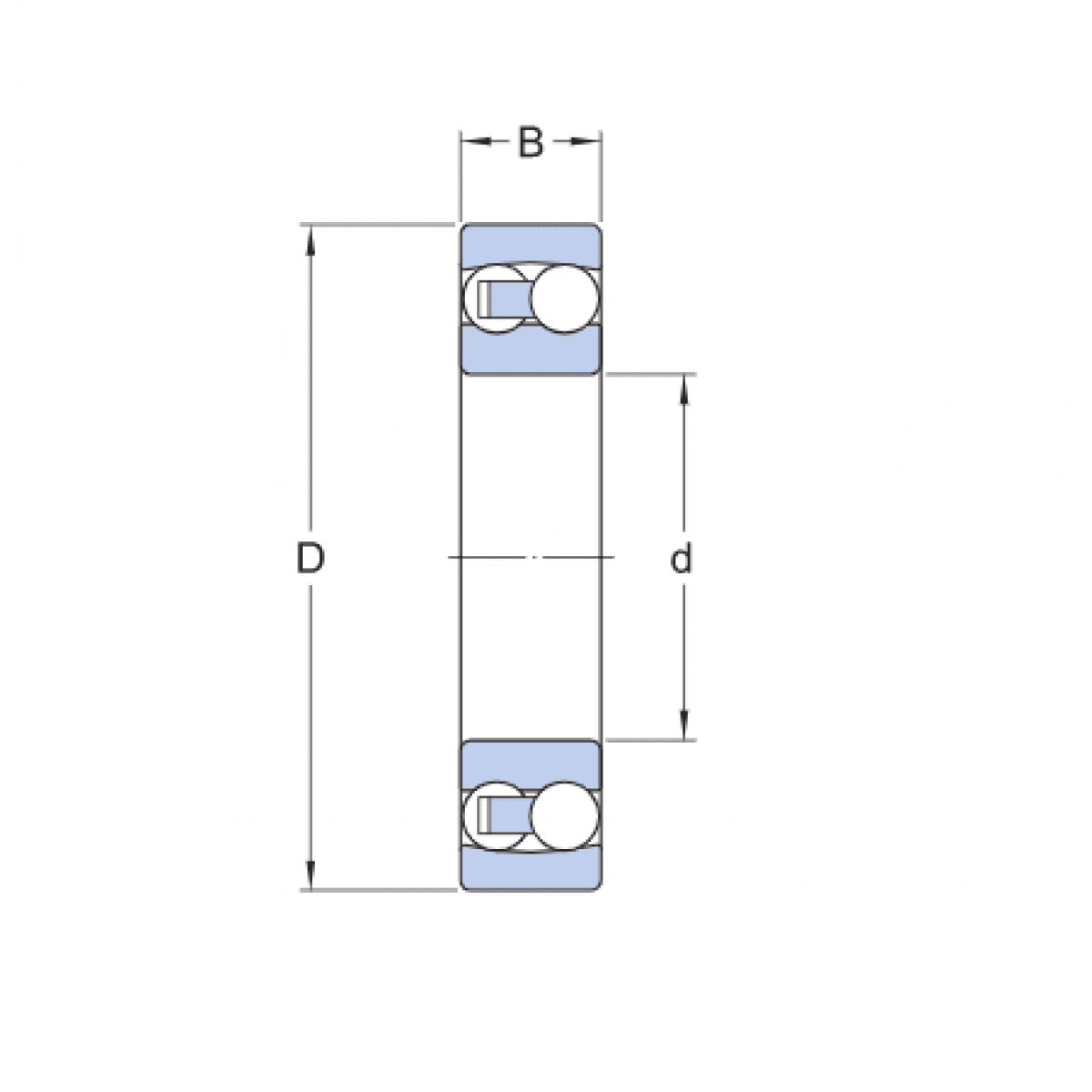
Rozmer: 45x100x36 Značka: CX
Skladom 8 ks na dopyt
+
-
ks