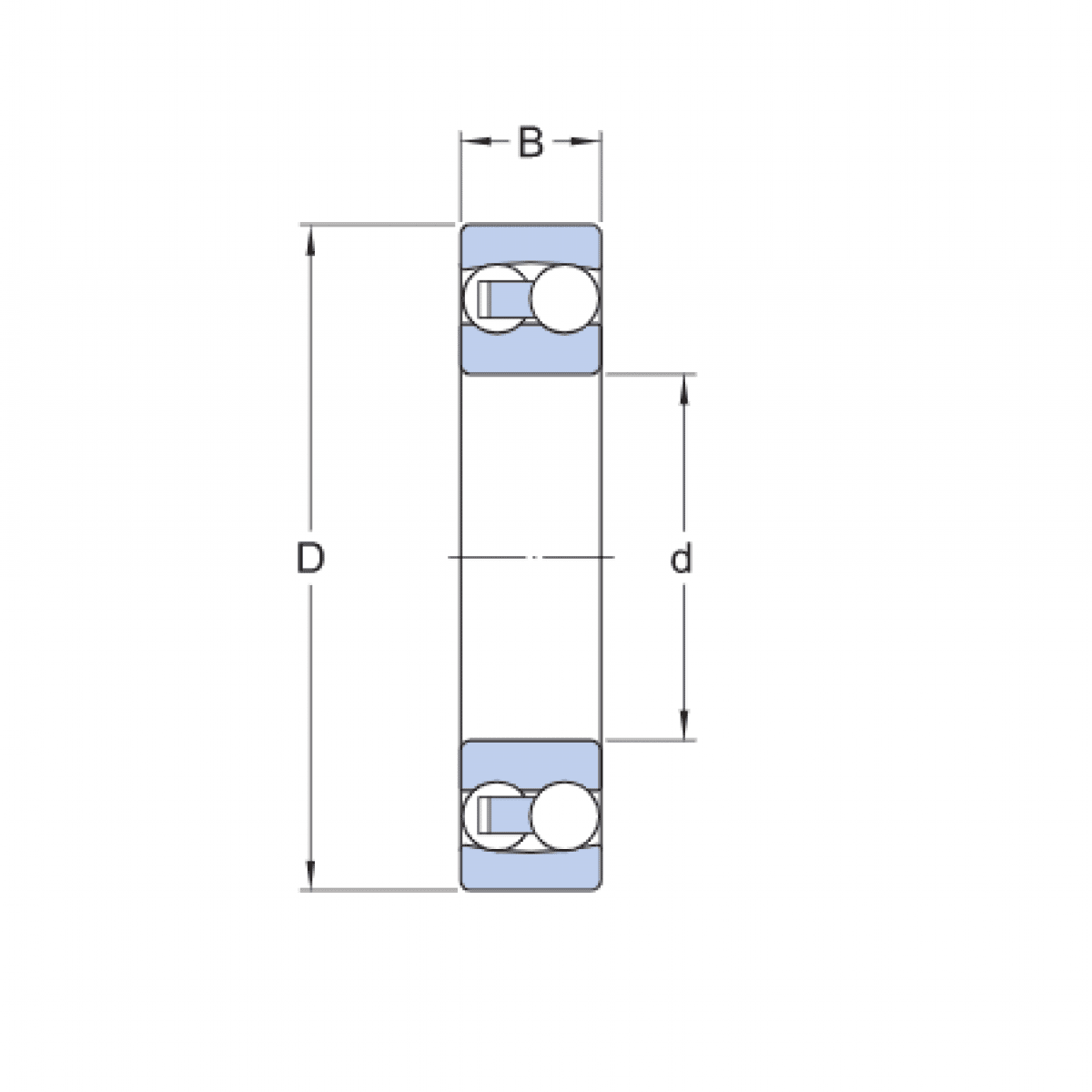
Ložisko 2310 - CX

Rozmer: 50x110x40 Značka: CX
Skladom 2 ks na dopyt
+
-
ks