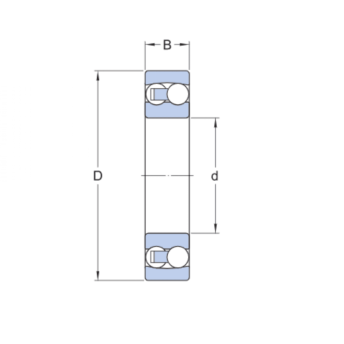
Ložisko 2310 - KBS

Rozmer: 50x110x40 Značka: KBS, KBC
Externý sklad na dopyt
+
-
ks