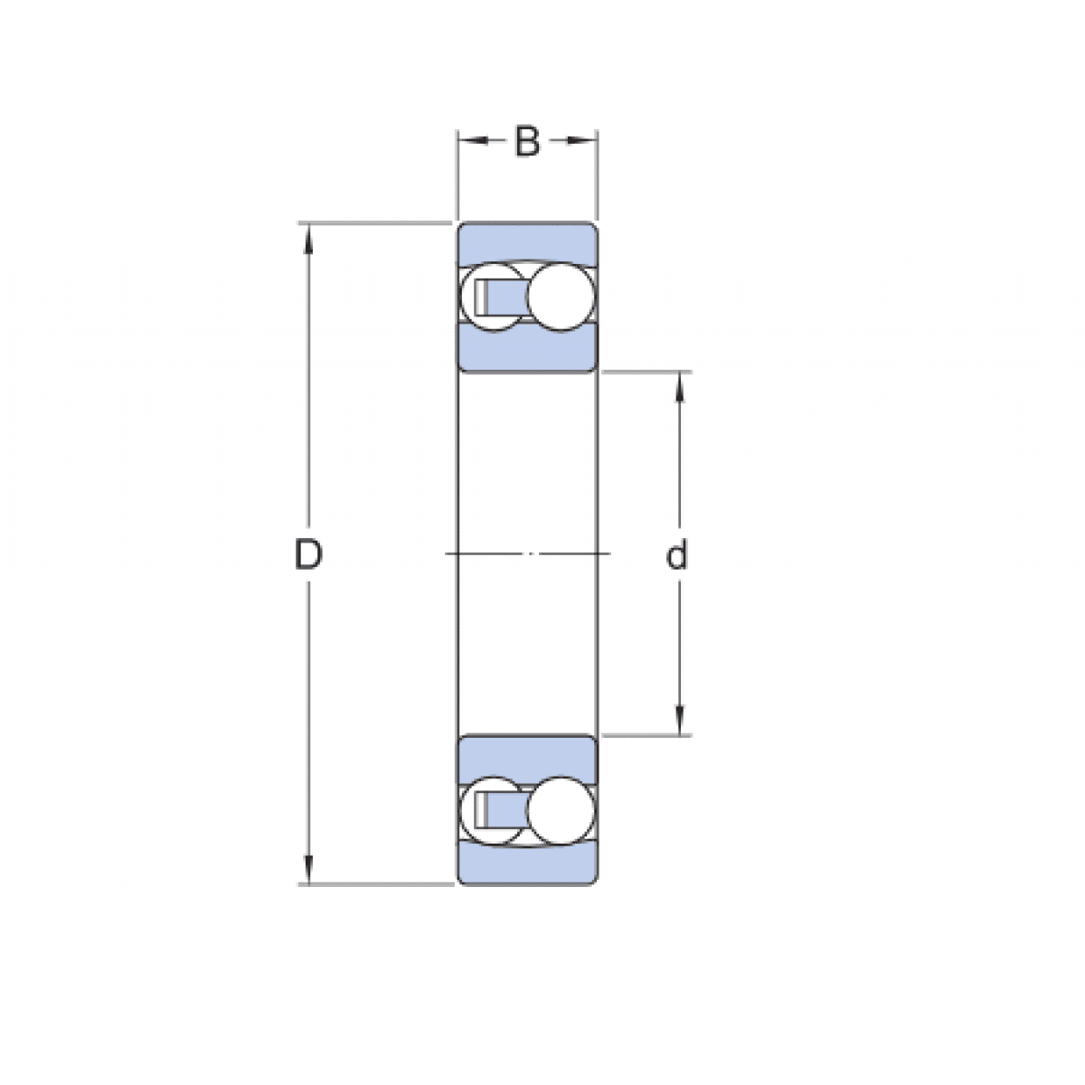
Ložisko 2311 - CX

Rozmer: 55x120x43 Značka: CX
Externý sklad na dopyt
+
-
ks