Ložisko 2311 - ZKL NEW

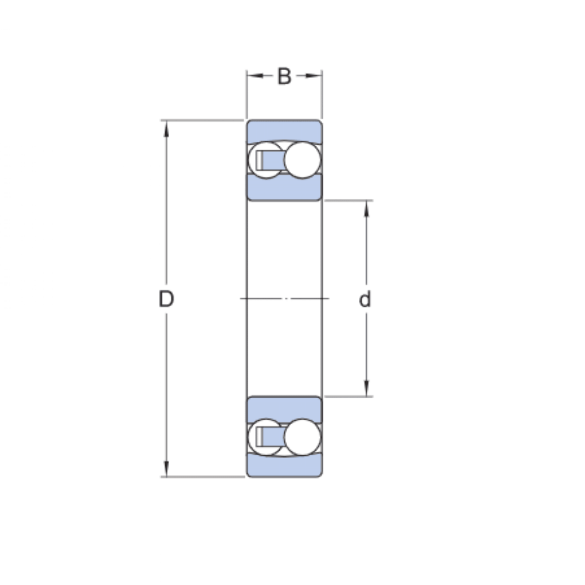
Rozmer: 55x120x43 Značka: ZKL
Skladom 8 ks na dopyt
+
-
ks