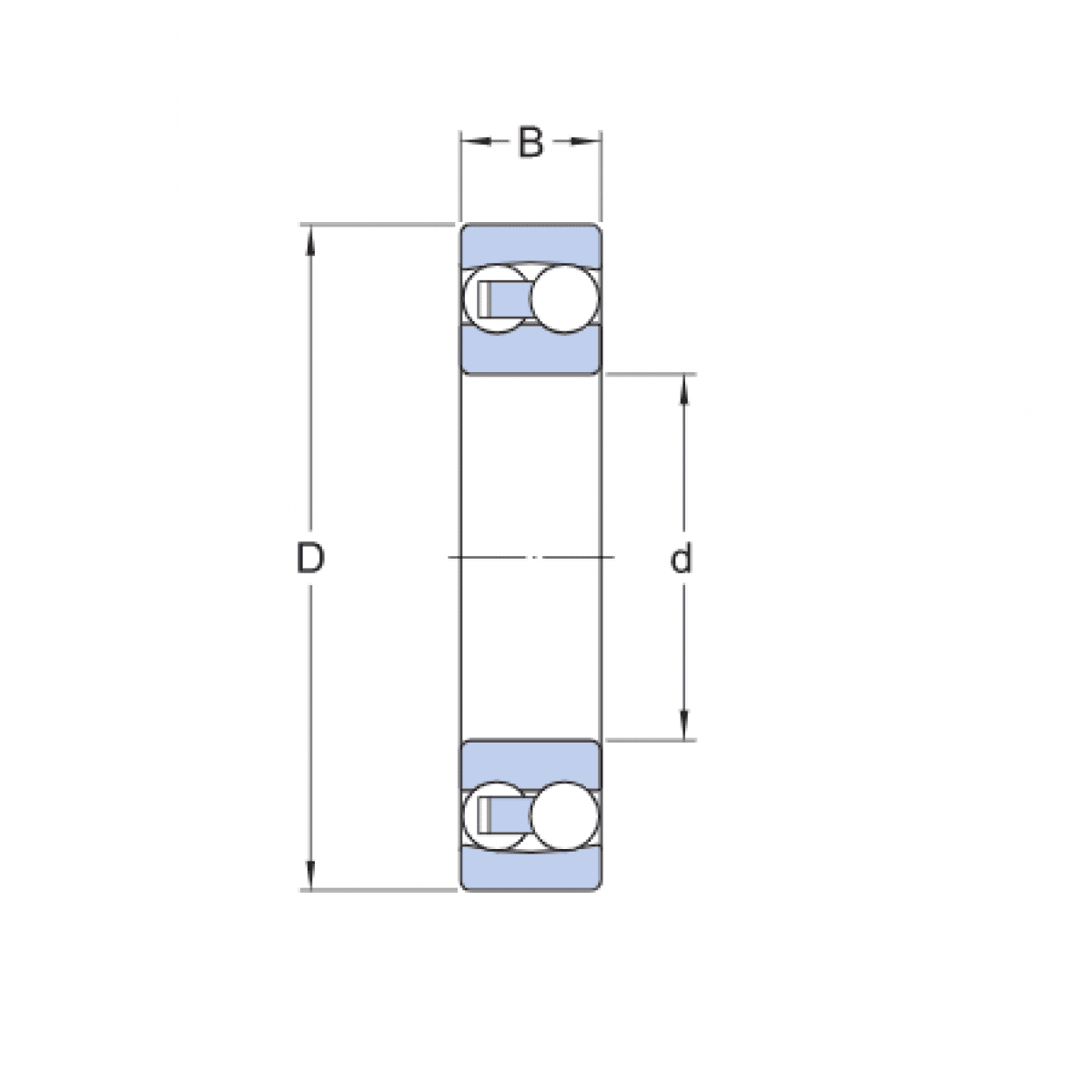
Ložisko 2312 - ZVL

Rozmer: 60x130x46 Značka: ZVL
Skladom 1 ks na dopyt
+
-
ks