Ložisko 2313 - ZKL NEW

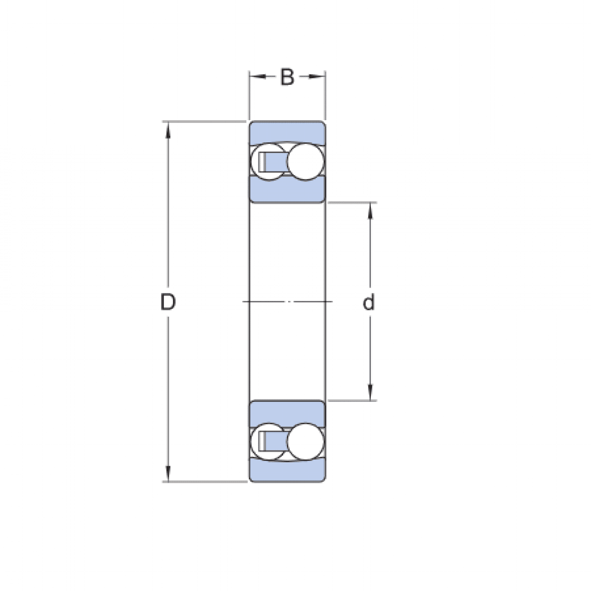
Rozmer: 65x140x48 Značka: ZKL
Externý sklad na dopyt
+
-
ks