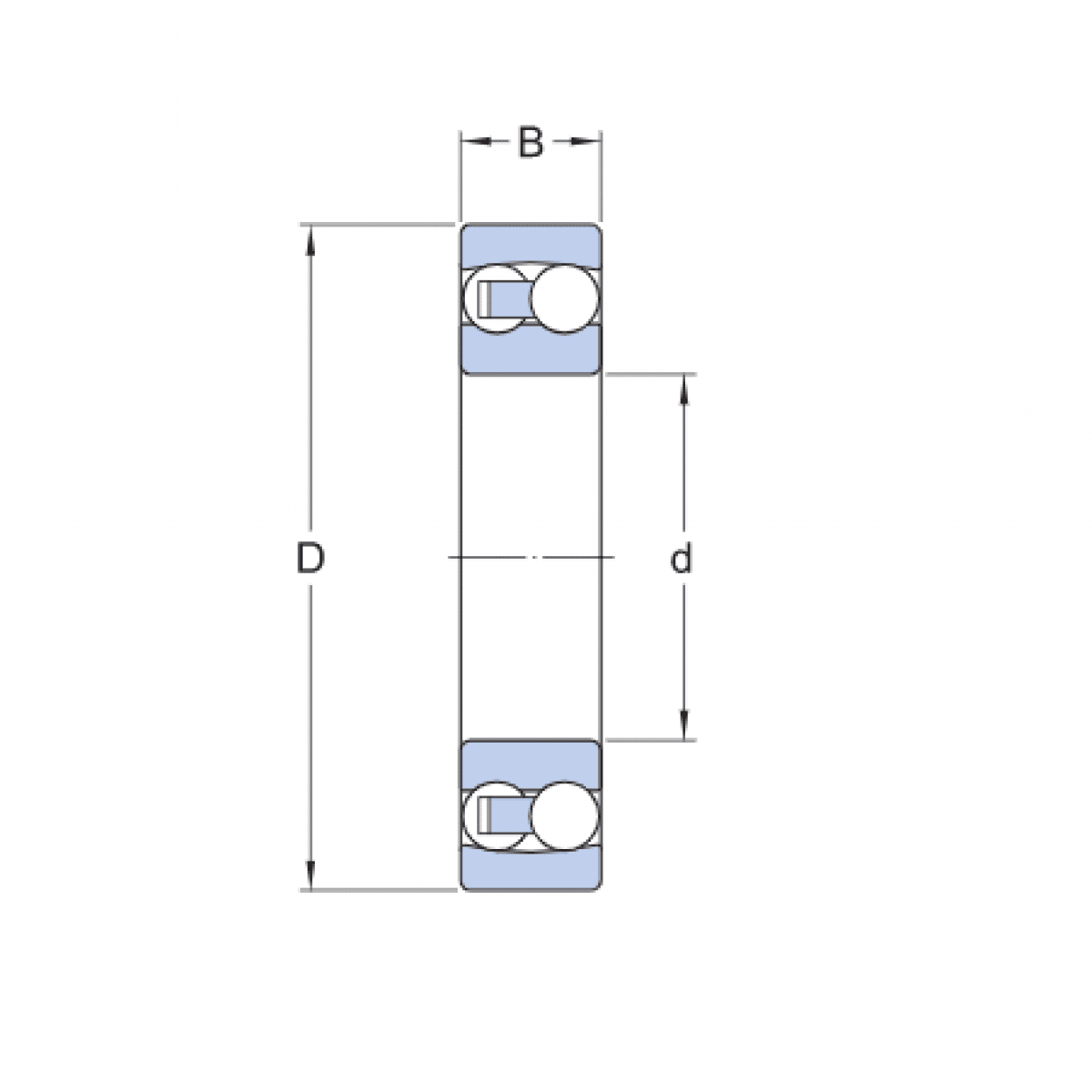
Ložisko 2315 - ZKL

Rozmer: 75x160x55 Značka: ZKL
Externý sklad na dopyt
+
-
ks