Ložisko 2317 - ZKL

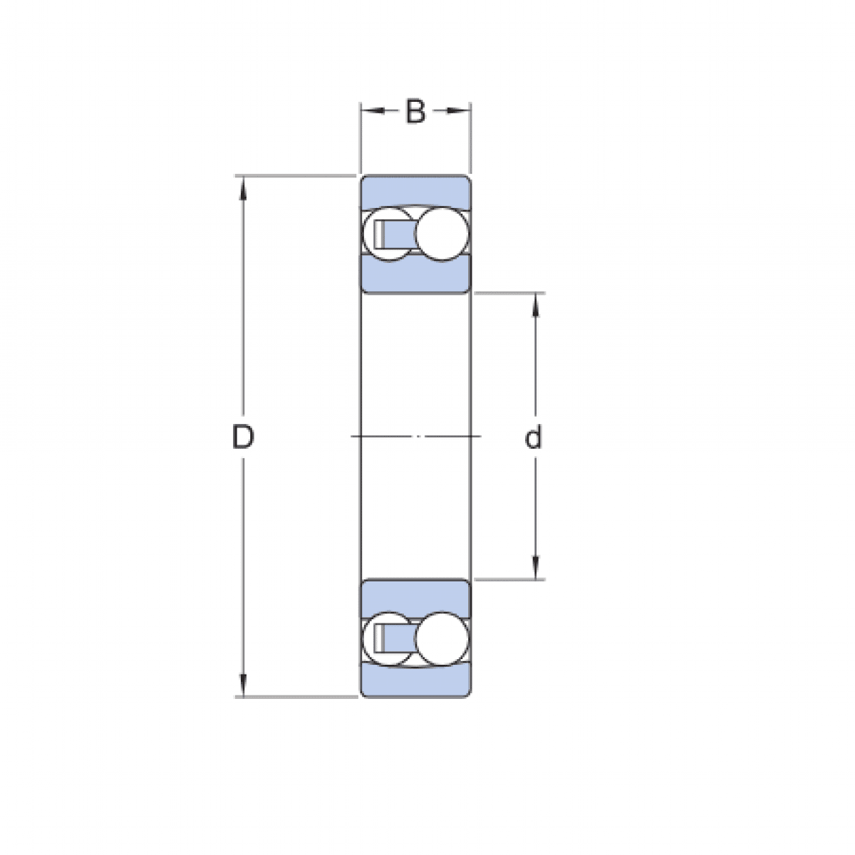
Rozmer: 85x180x60 Značka: ZKL
Skladom 1 ks na dopyt
+
-
ks