Ložisko 29322 M - KG

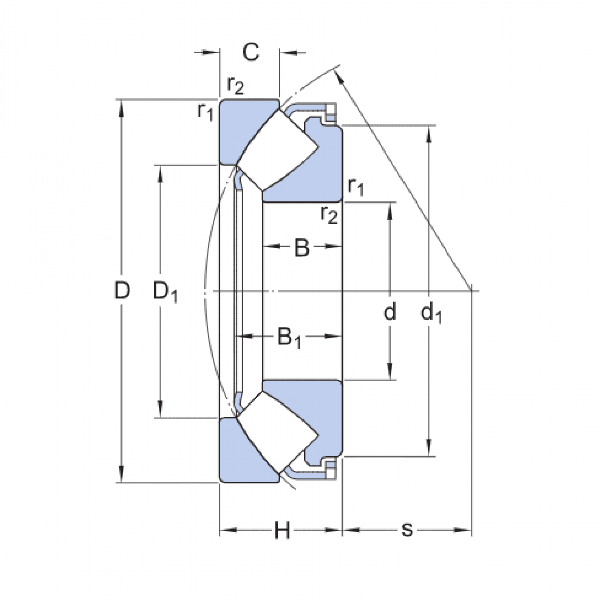
Rozmer: 110x190x48 Značka: KG
Skladom 1 ks na dopyt
+
-
ks