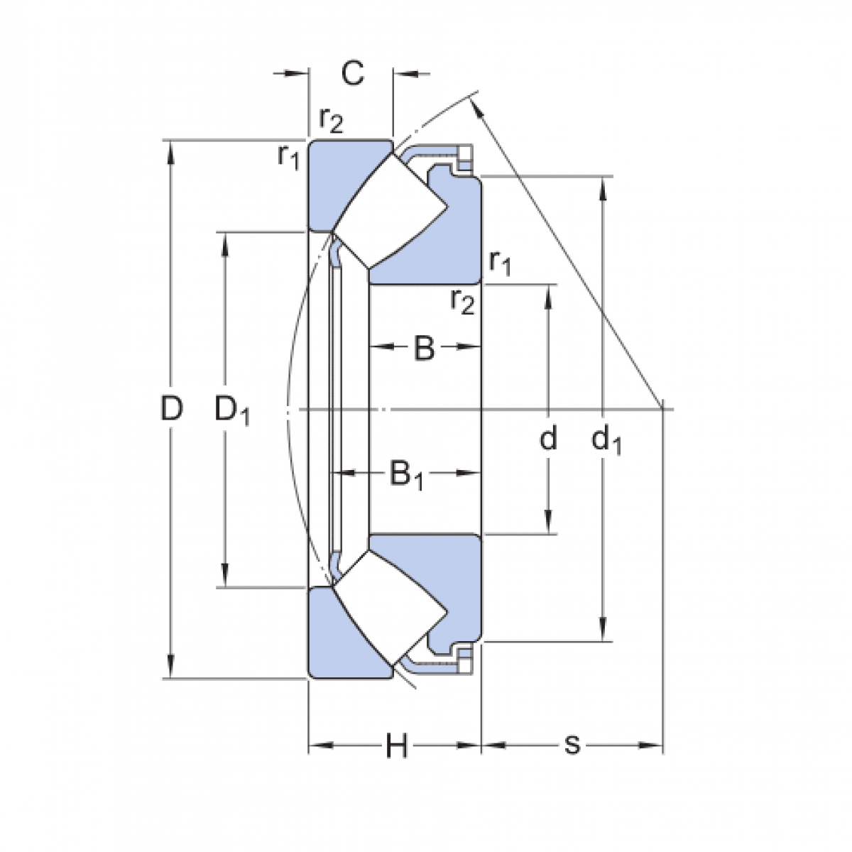
Ložisko 29430 M - KG

Rozmer: 150x300x90 Značka: KG
Skladom 1 ks na dopyt
+
-
ks