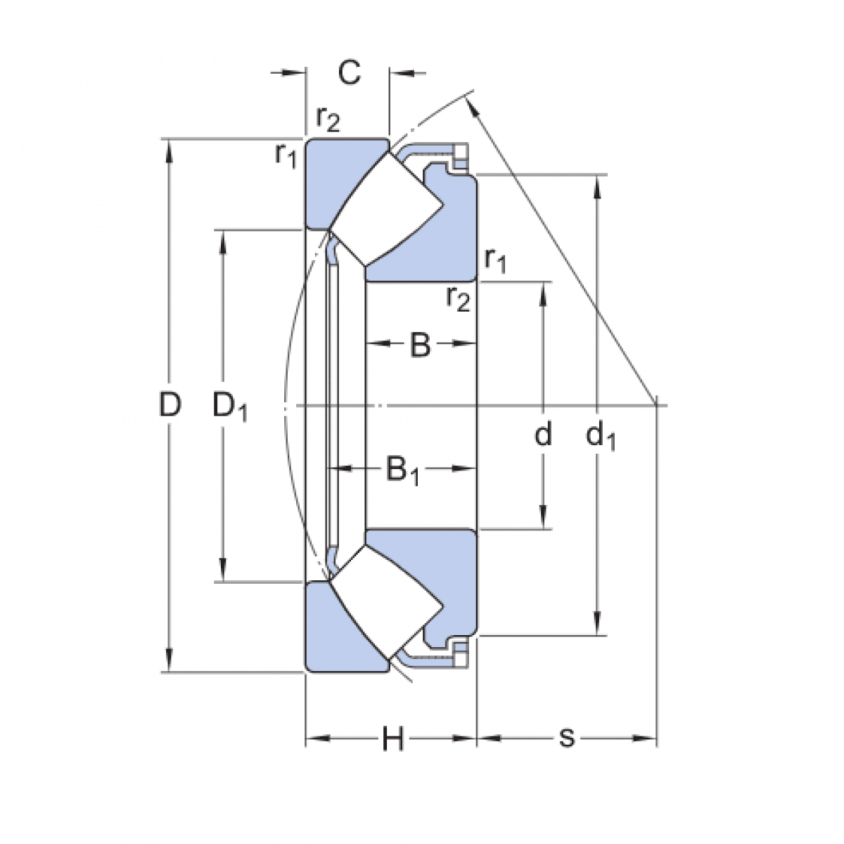
Ložisko 29434 M - KG

Rozmer: 170x340x103 Značka: KG
Externý sklad na dopyt
+
-
ks