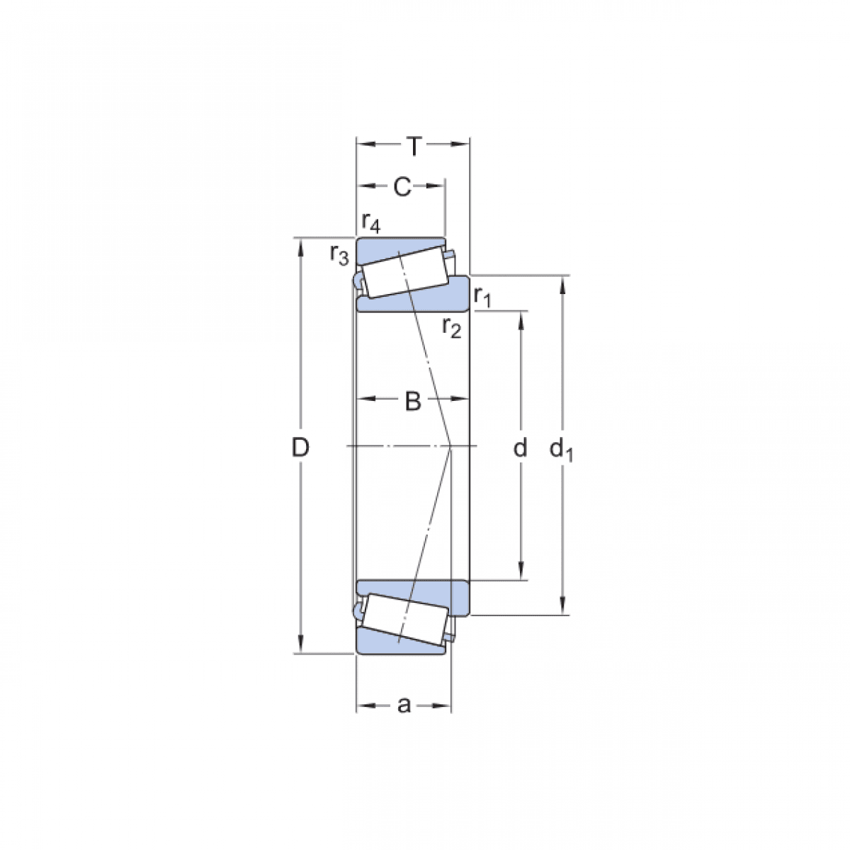
Ložisko 30220 - KG

Rozmer: 100x180x37,00 Značka: KG
Externý sklad na dopyt
+
-
ks