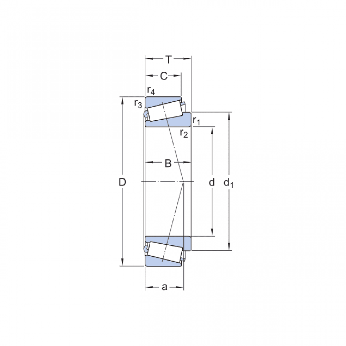
Ložisko 32209 - KG

Rozmer: 45x85x24,75 Značka: KG
Externý sklad na dopyt
+
-
ks