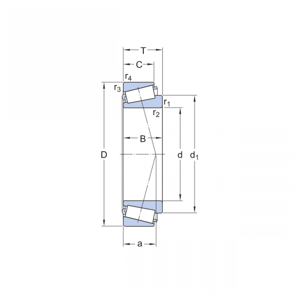
Ložisko 32211 - KG

Rozmer: 55x100x26,75 Značka: KG
Externý sklad na dopyt
+
-
ks