Ložisko 32221 - KG

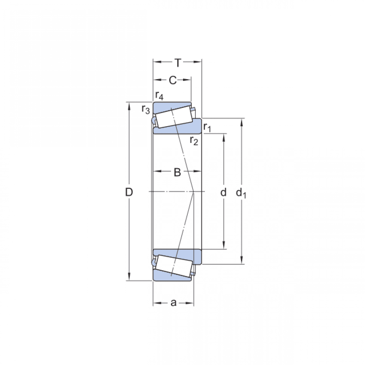
Rozmer: 105x190x53 Značka: KG
Externý sklad na dopyt
+
-
ks