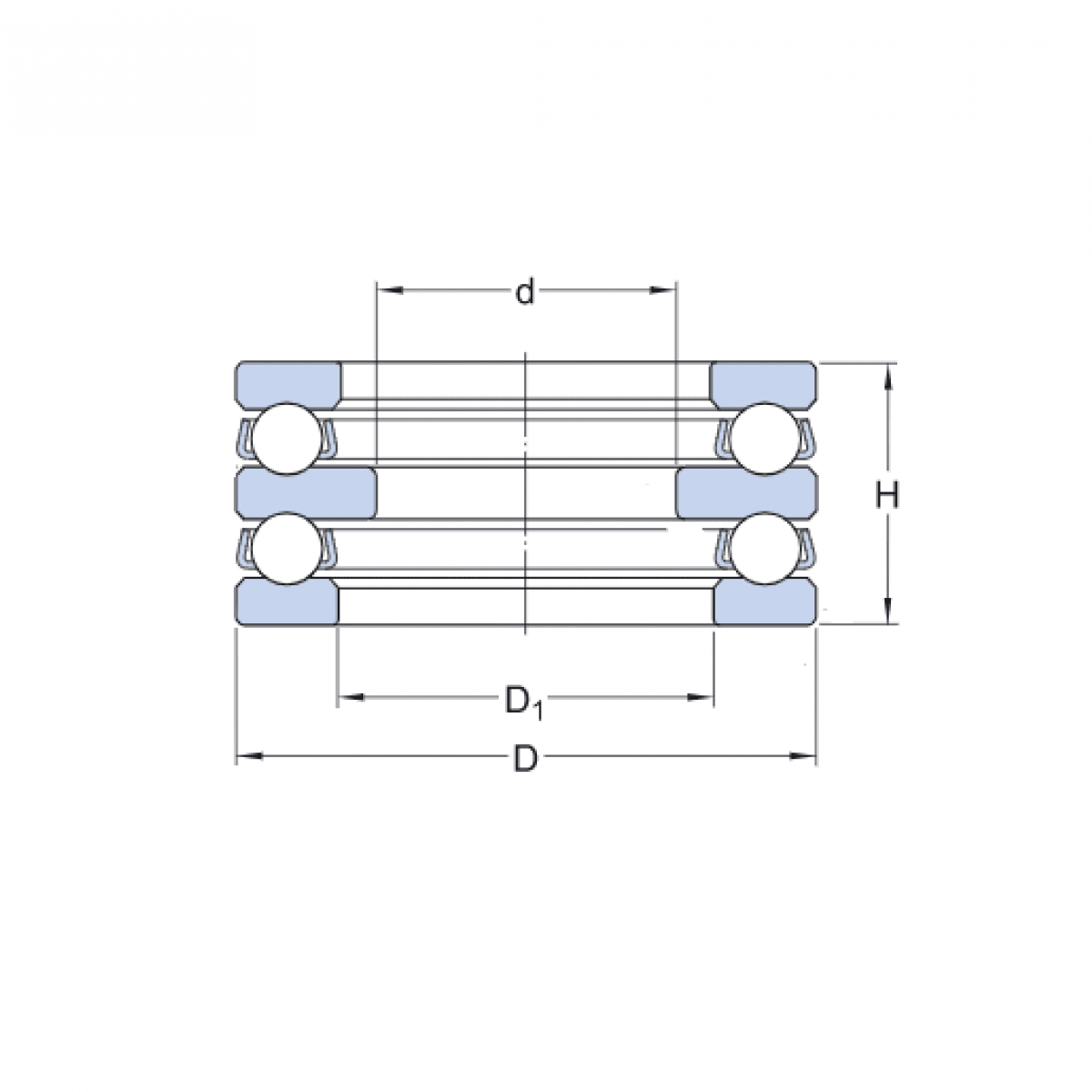
Ložisko 52313 - ZKL

Rozmer: 55x115x65 Značka: ZKL
Externý sklad na dopyt
+
-
ks