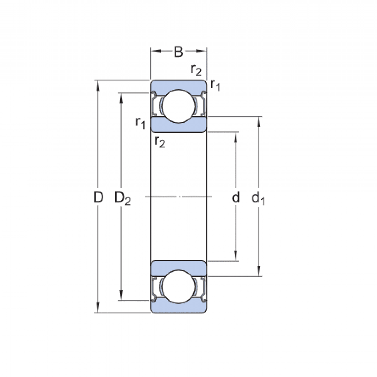
Ložisko 6001 2Z - KG

Rozmer: 12x28x8 Značka: KG
Skladom 17 ks na dopyt
+
-
ks