Ložisko 6003 2Z - KG

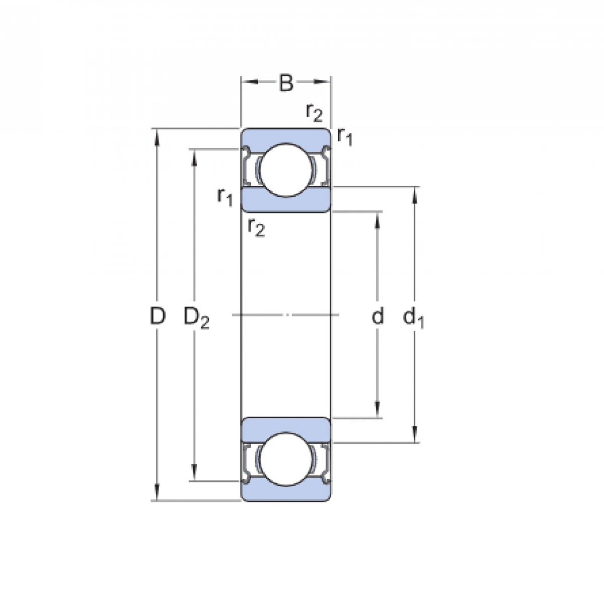
Rozmer: 17x35x10 Značka: KG
Skladom 13 ks na dopyt
+
-
ks