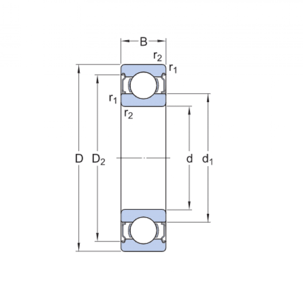
Ložisko 6004 2RS - KG

Rozmer: 20x42x12 Značka: KG
Externý sklad na dopyt
+
-
ks