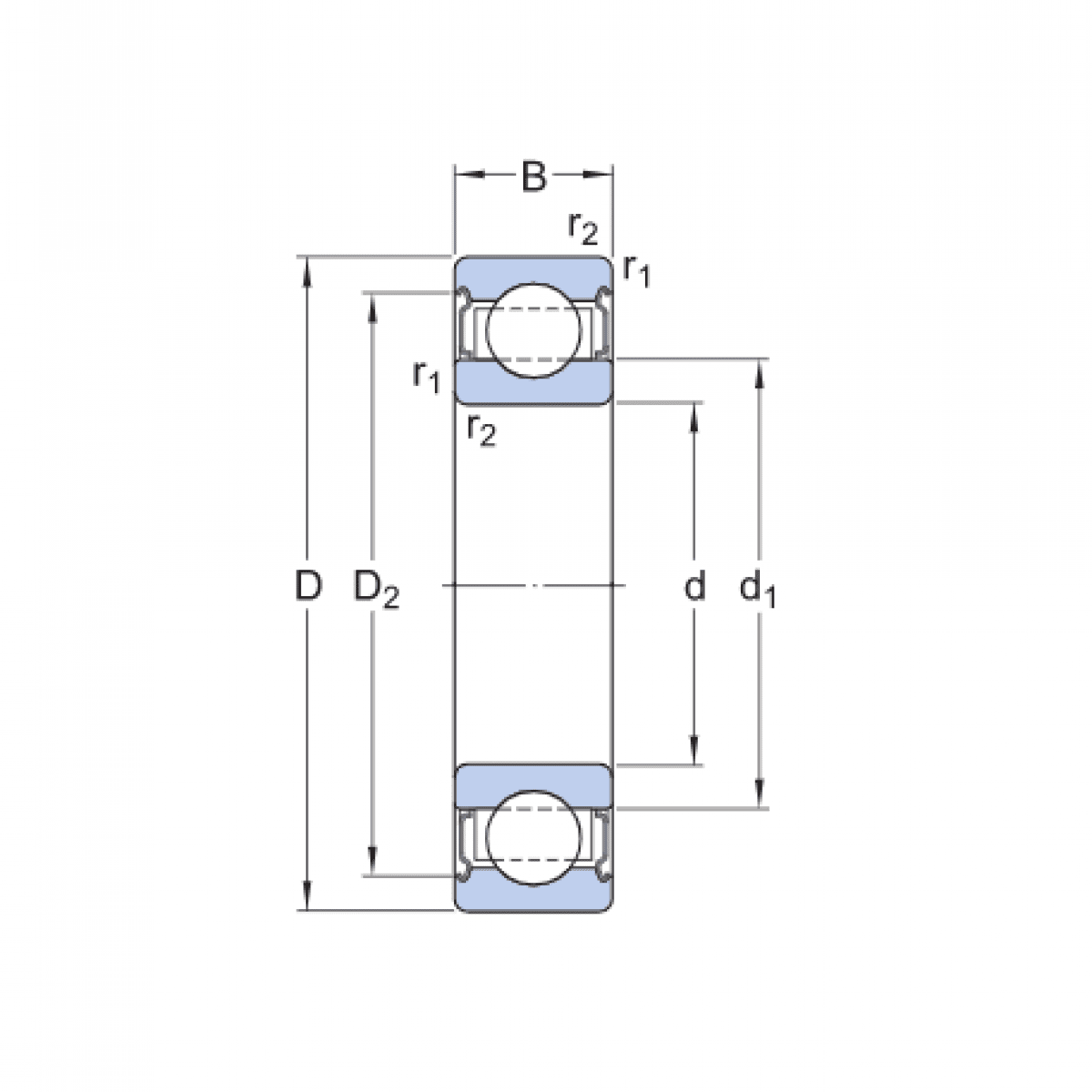
Ložisko 6004 2Z BHTS 280°C / BECO

Rozmer: 20x42x12 Značka: BECO
Externý sklad na dopyt
+
-
ks