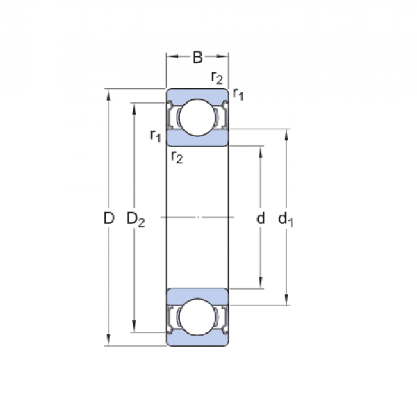
Ložisko 6005 2RS - KG

Rozmer: 25x47x12 Značka: KG
Externý sklad na dopyt
+
-
ks