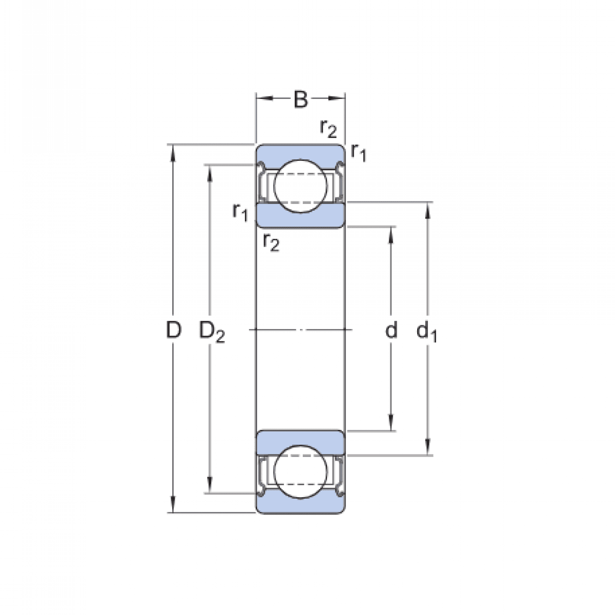
Ložisko 6005 2Z BHTS 280°C - BECO

Rozmer: 25x47x12 Značka: BECO
Externý sklad na dopyt
+
-
ks