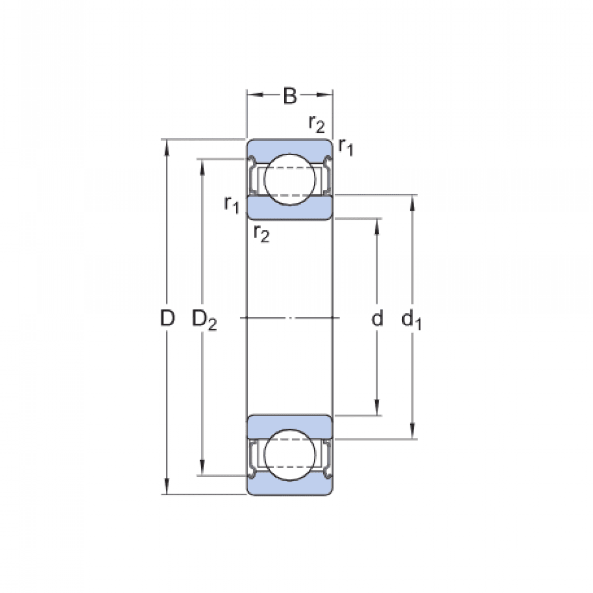
Ložisko 6006 2Z BHTS 280° - BECO

Rozmer: 30x55x13 Značka: BECO
Externý sklad na dopyt
+
-
ks