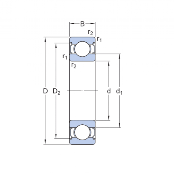
Ložisko 6008 2RS - KG

Rozmer: 40x68x15 Značka: KG
Externý sklad na dopyt
+
-
ks