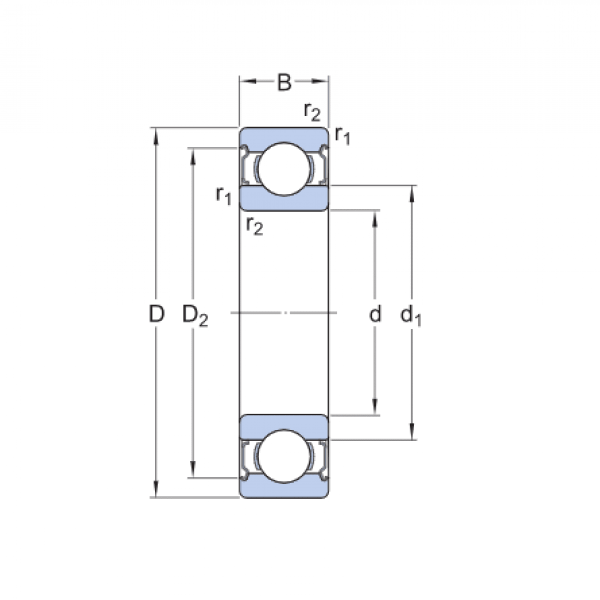
Ložisko 6010 2Z - KG

Rozmer: 50x80x16 Značka: KG
Externý sklad na dopyt
+
-
ks