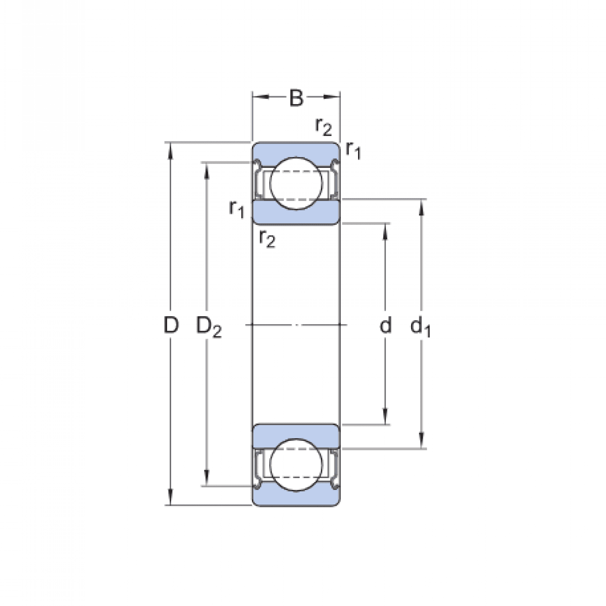
Ložisko 6010 BHTS-ZZ-GR-CG (350°C) BECO

Rozmer: 50x80x16 Značka: BECO
Externý sklad na dopyt
+
-
ks