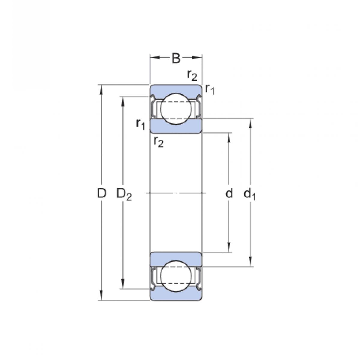
Ložisko 6010 BHTSZZ280°C BECO

Rozmer: 50x80x16 Značka: BECO
Externý sklad na dopyt
+
-
ks