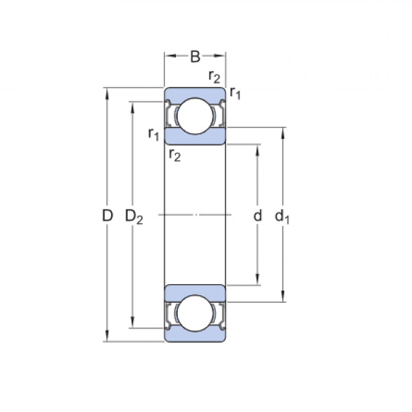
Ložisko 6012 2RS - KG

Rozmer: 60x95x18 Značka: KG
Externý sklad na dopyt
+
-
ks