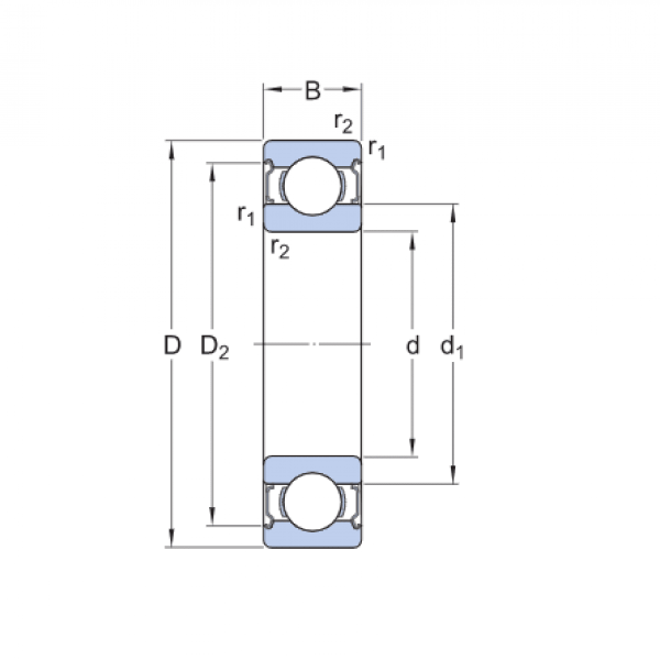
Ložisko 6013 2RS - KG

Rozmer: 65x100x18 Značka: KG
Externý sklad na dopyt
+
-
ks