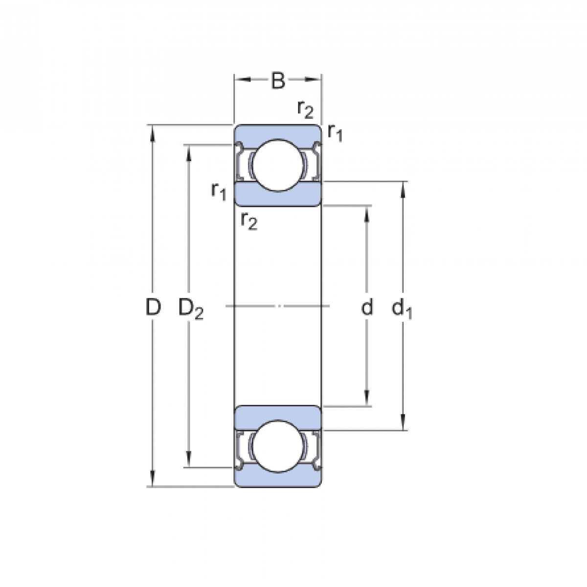
Ložisko 6018 2Z - KG

Rozmer: 90x140x24 Značka: KG
Externý sklad na dopyt
+
-
ks