Guličkové ložiská BHTSZZ 280°C sú projektované na báze štandardných ložísk, avšak s použitím stabilizačných ošetrení, špeciálneho maziva a krytiek. Ložiská sa osvedčili pri prevádz. teplotách -30°C až +280°C .
- radiálna vôľa C5,
- plechové krytky a mazivo na bázi PTFE bez silikónu vhodné pre operačé teploty v rozsahu od -30°C do +280°C
- bod skvapnutia maziva je 400°C
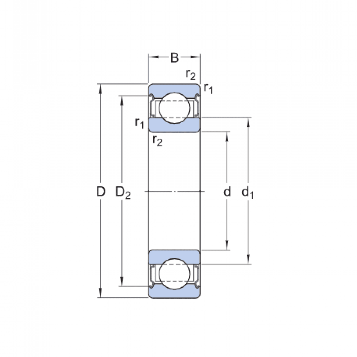
| Parametre | Hodnota |
|---|---|
| Rozmer | 8x22x7 |
Zatiaľ nikto produkt nehodnotil.



