Ložisko 6200 2RS C3 - KG

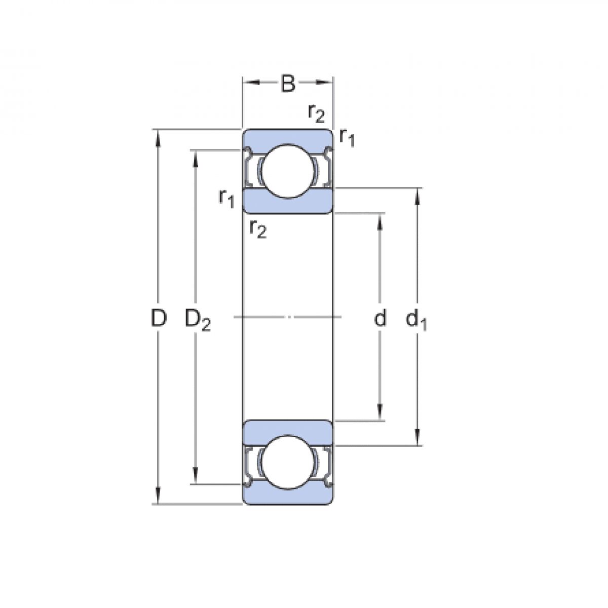
Rozmer: 10x30x9 Značka: KG
Skladom 9 ks na dopyt
+
-
ks