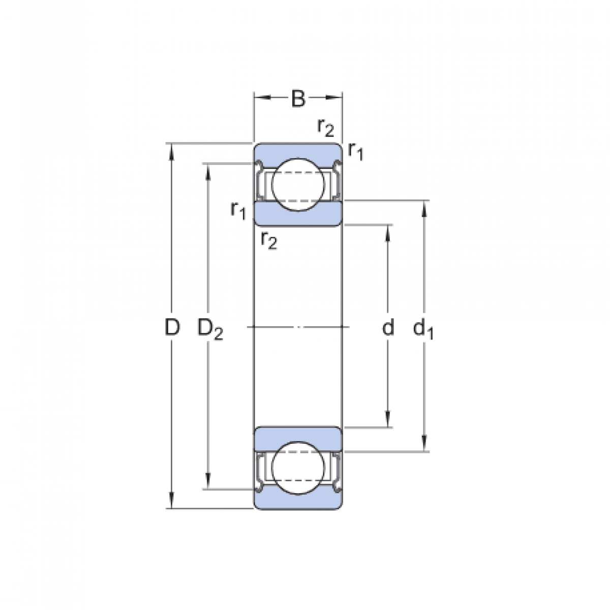
Ložisko 6201 BHTS2Z 280° - BECO

Rozmer: 12x32x10 Značka: BECO
Externý sklad na dopyt
+
-
ks