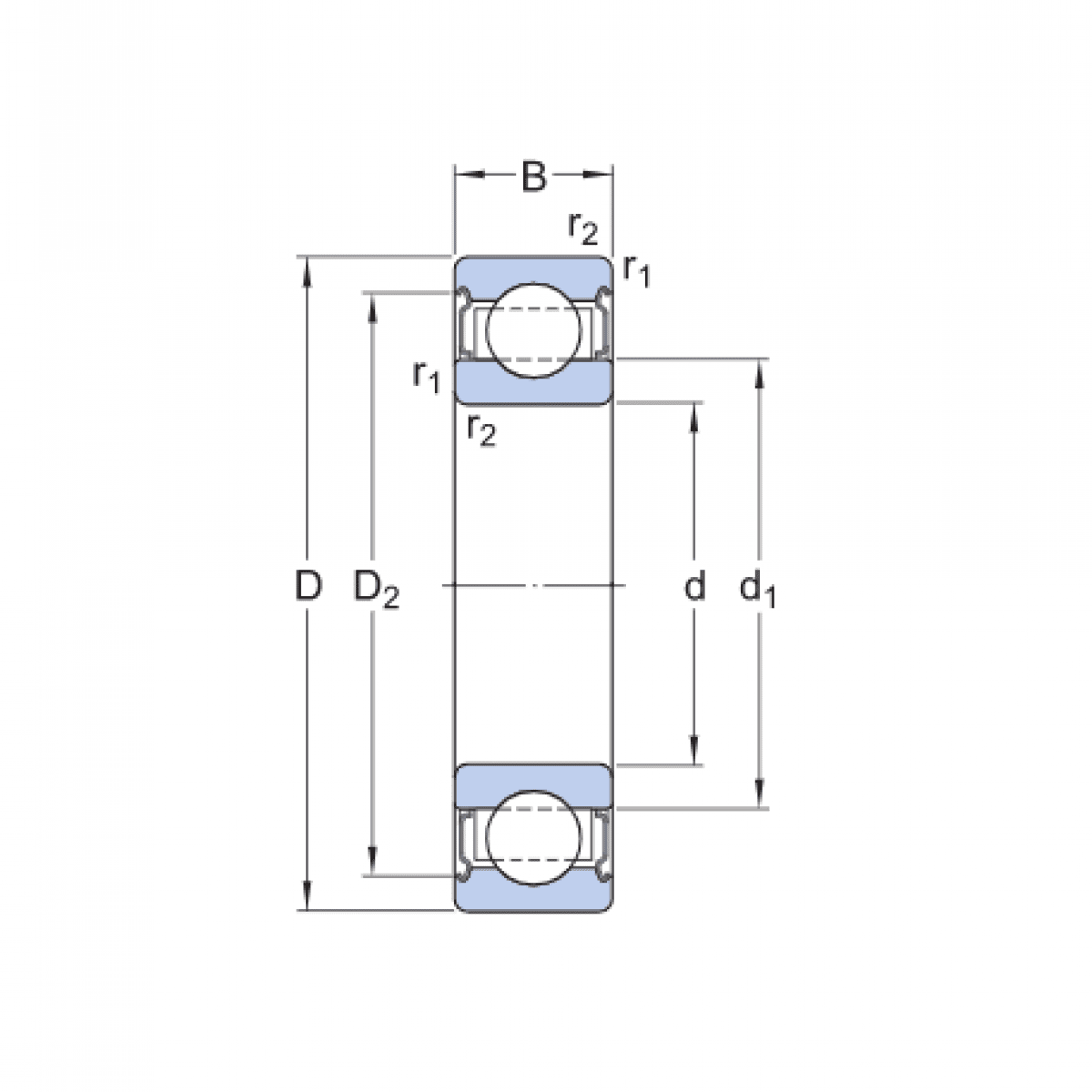
Ložisko 6202 BHTSZZ280°C - BECO

Rozmer: 15x35x11 Značka: BECO
Externý sklad na dopyt
+
-
ks