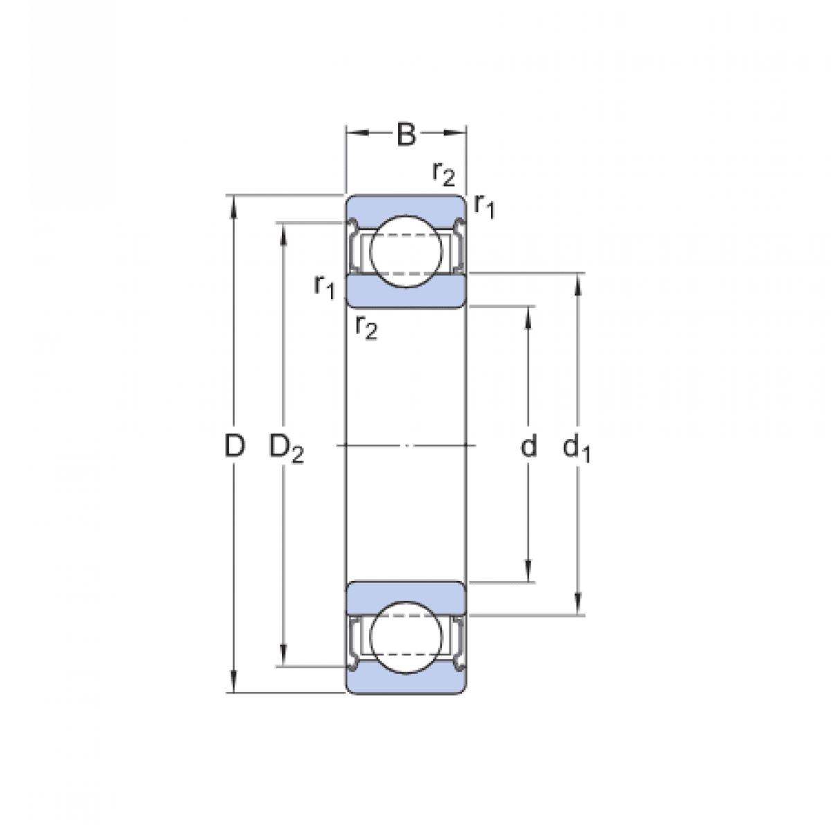
Ložisko 6203 BHTS 2Z C4 220°-250° - BECO

Rozmer: 17x40x12 Značka: BECO
Externý sklad na dopyt
+
-
ks