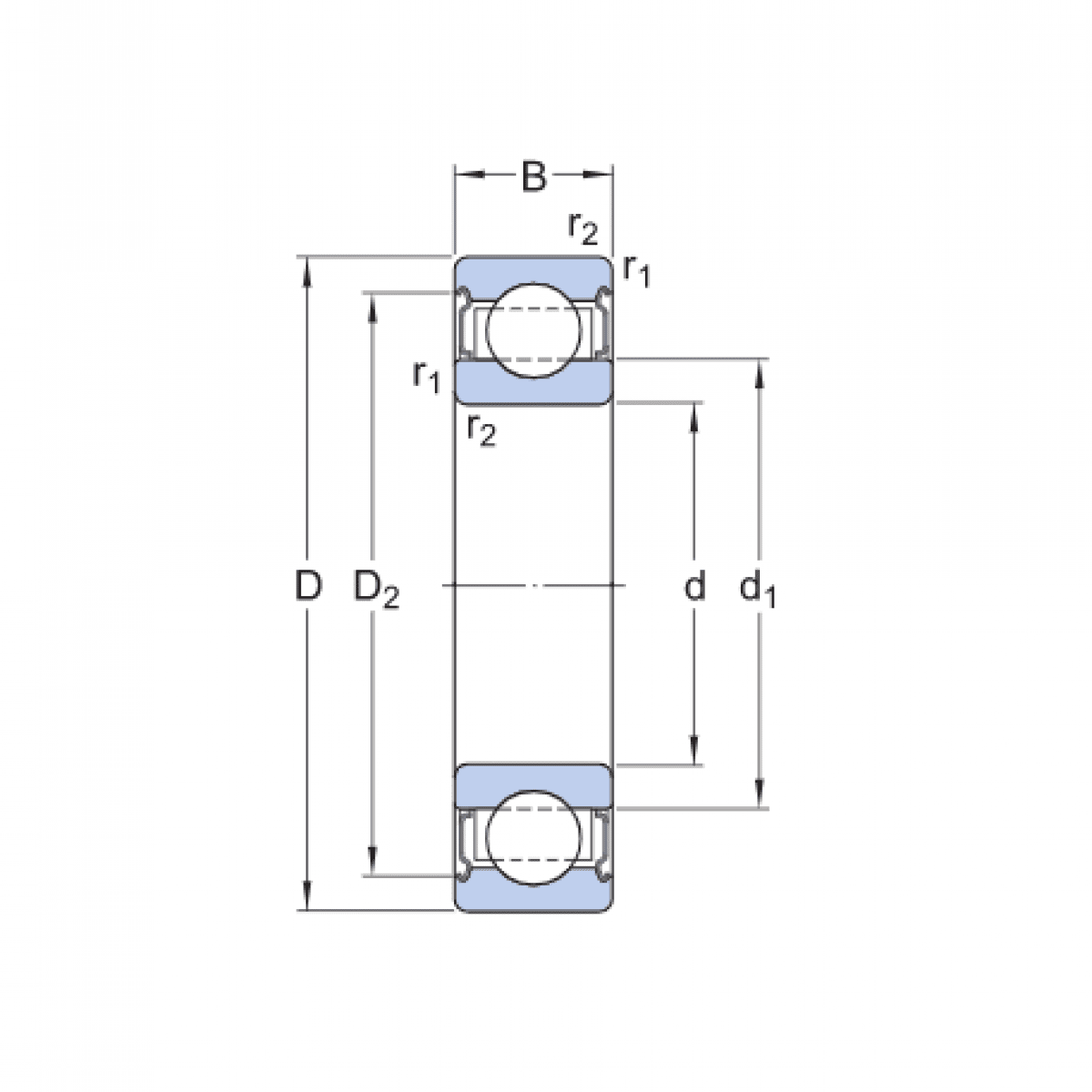
Ložisko 6204 BHTSZZ 280 - BECO

Rozmer: 20x47x14 Značka: BECO
Externý sklad na dopyt
+
-
ks