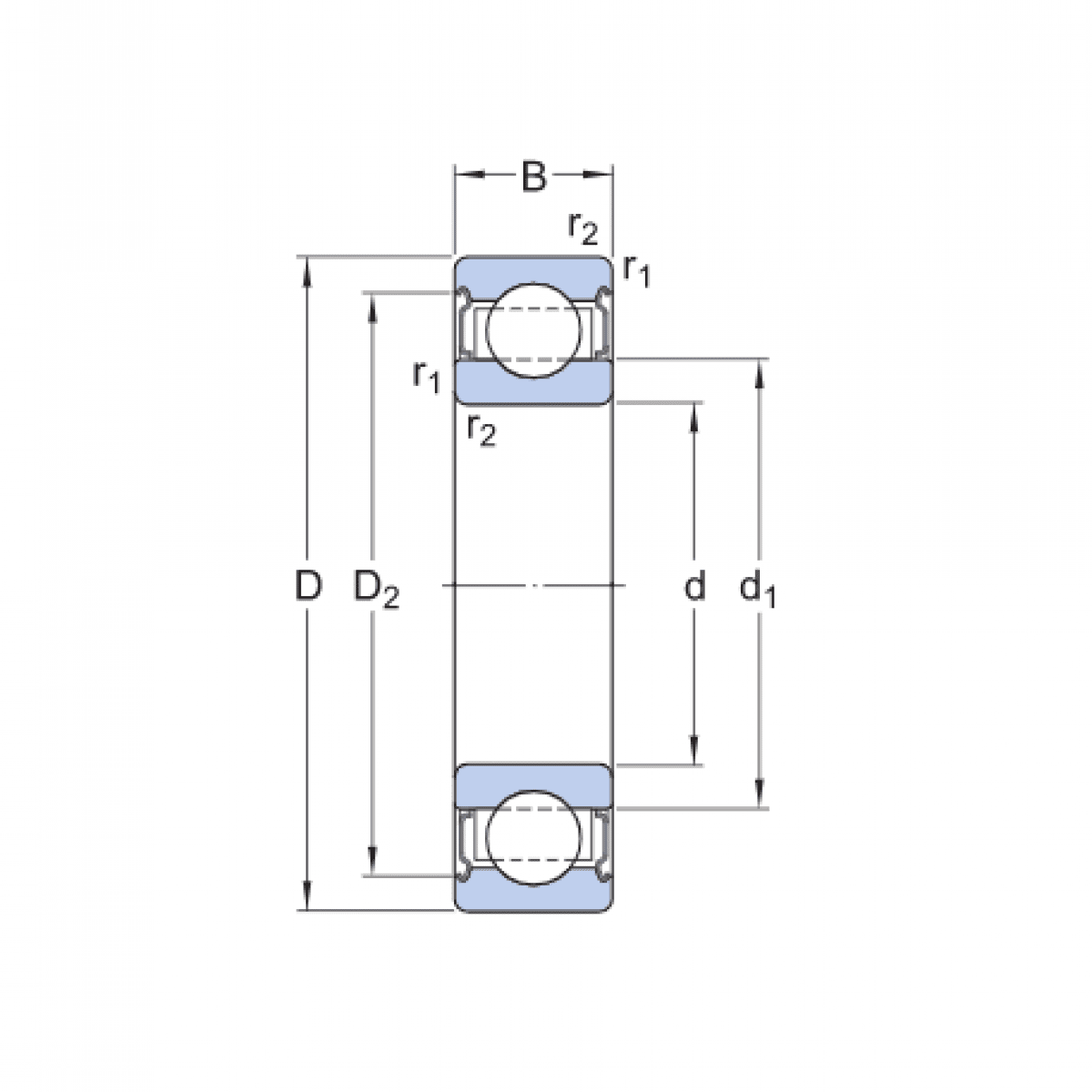
Ložisko 6205 BHTS ZZ C4 200° - BECO

Rozmer: 25x52x15 Značka: BECO
Externý sklad na dopyt
+
-
ks