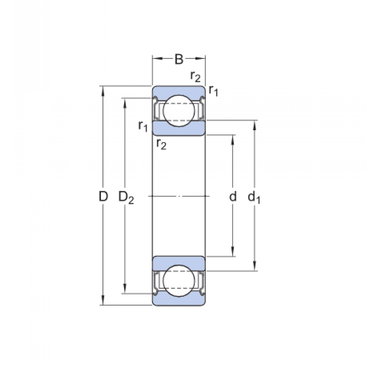
Ložisko 6206 BHTSZZ 280°C - BECO

Rozmer: 30x62x16 Značka: BECO
Externý sklad na dopyt
+
-
ks