Ložisko 6207 BHTC4ZZ 200-250°C - BECO

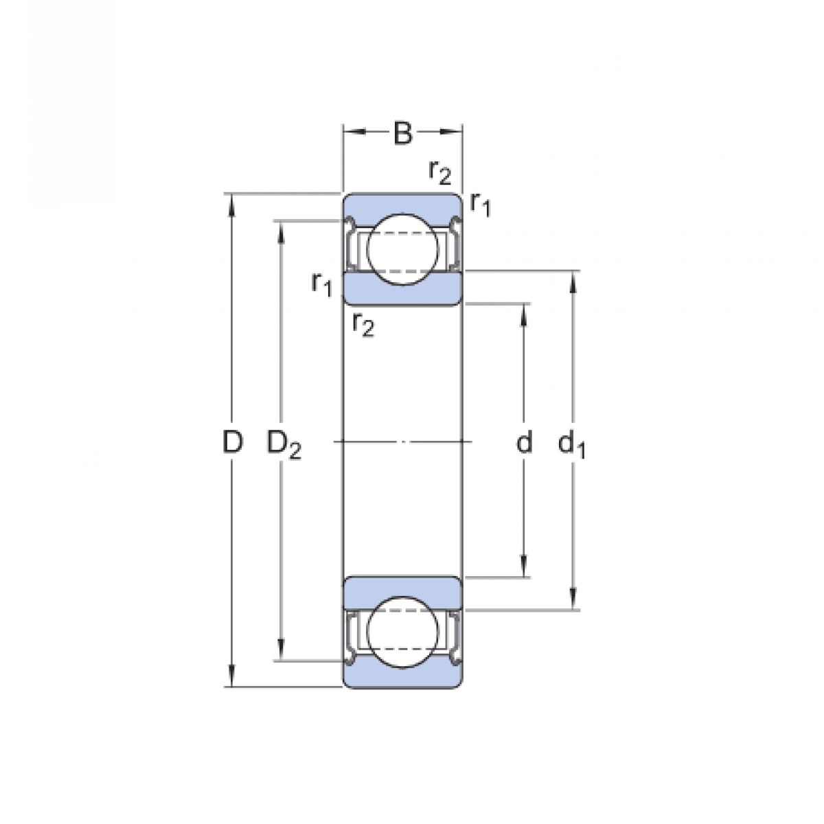
Rozmer: 35x72x17 Značka: BECO
Externý sklad na dopyt
+
-
ks