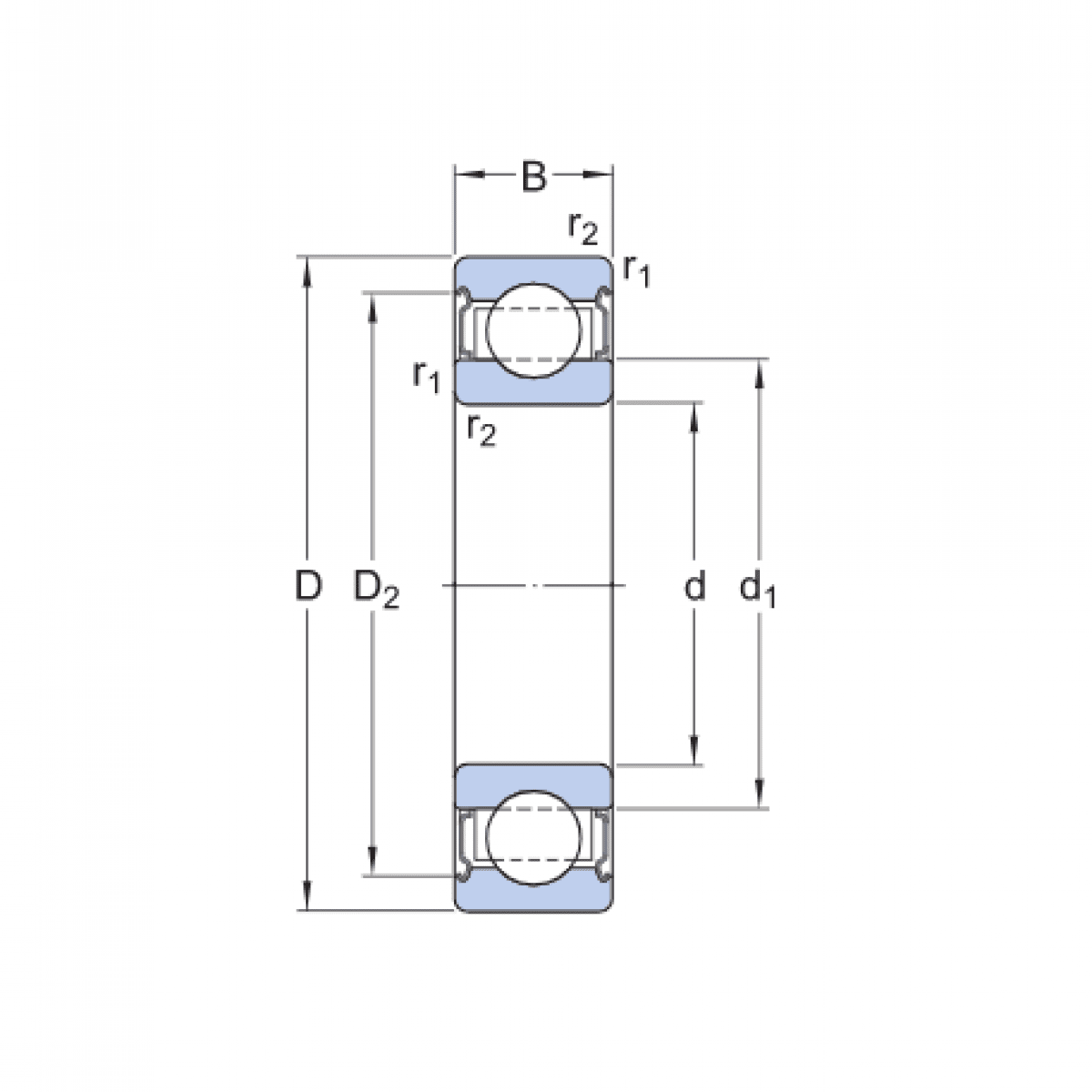
Ložisko 6208 BHTSZZ 280° - BECO

Rozmer: 40x80x18 Značka: BECO
Externý sklad na dopyt
+
-
ks