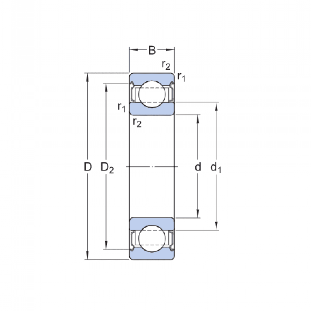
Ložisko 6213 BHTSZZ280°C - BECO

Rozmer: 65x120x23 Značka: BECO
Externý sklad na dopyt
+
-
ks