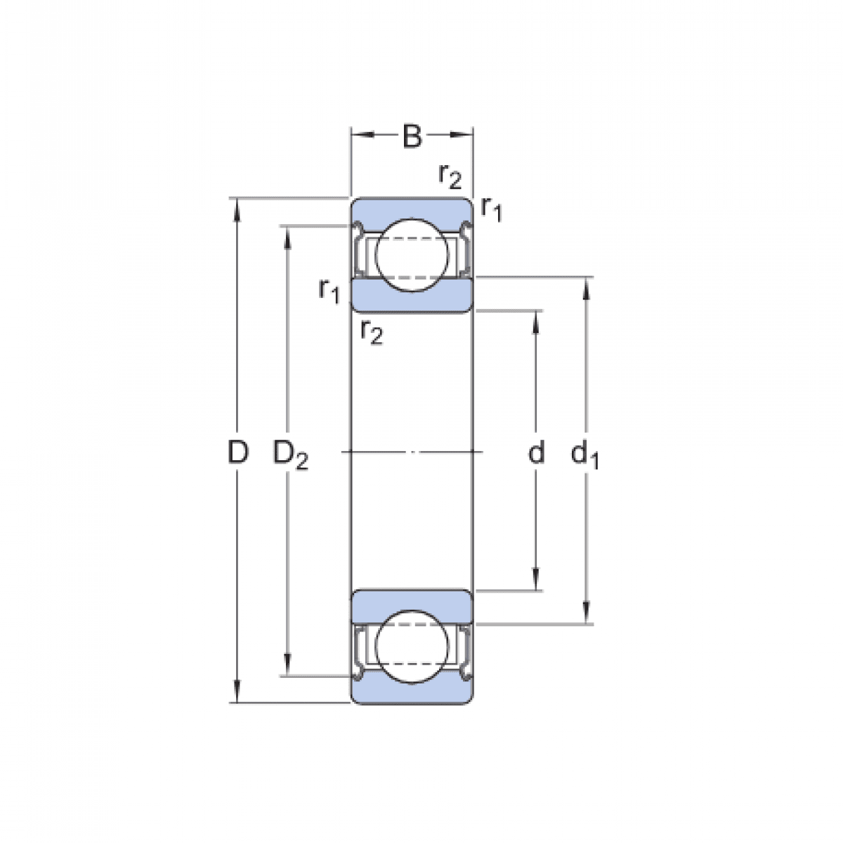
Ložisko 6214 BHTSC4ZZ220-250°C BECO

Rozmer: 70x125x24 Značka: BECO
Externý sklad na dopyt
+
-
ks