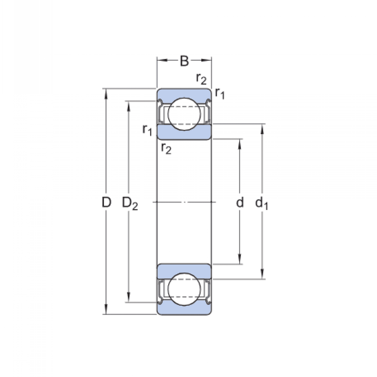
Ložisko 627 BHTC4 ZZ 200 - BECO

Rozmer: 7x22x7 Značka: BECO
Externý sklad na dopyt
+
-
ks