Ložisko 6305 2RS - KG

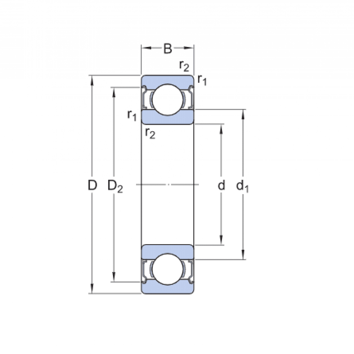
Rozmer: 25x62x17 Značka: KG
Skladom 1 ks na dopyt
+
-
ks