Ložisko 6305 2Z C3 - KG

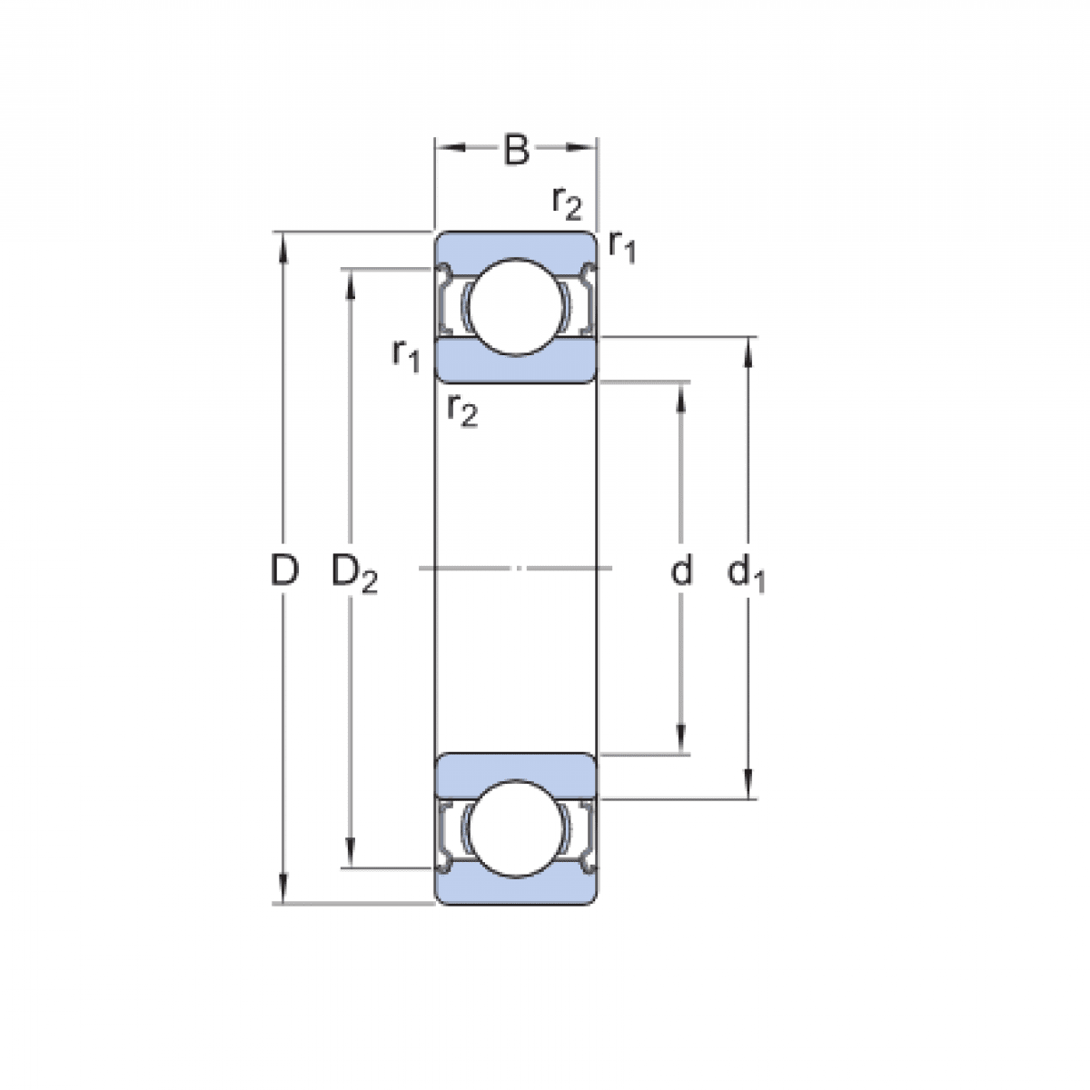
Rozmer: 25x62x17 Značka: KG
Skladom 14 ks na dopyt
+
-
ks