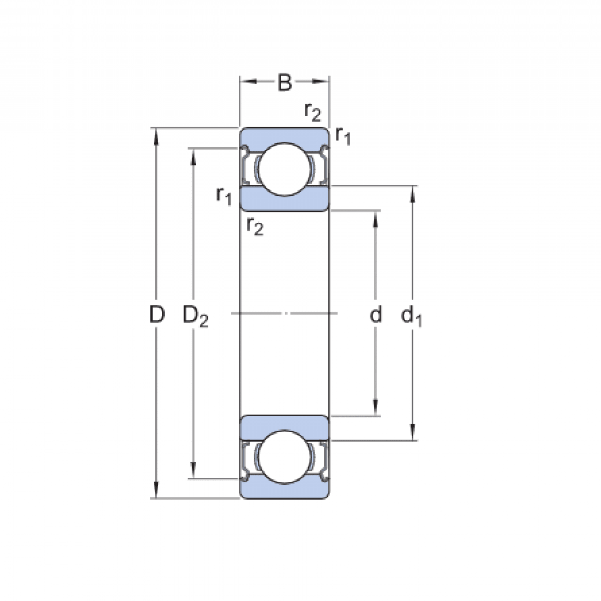
Ložisko 6306 BHTSZZ 280°C - BECO

Rozmer: 30x72x19 Značka: BECO
Externý sklad na dopyt
+
-
ks