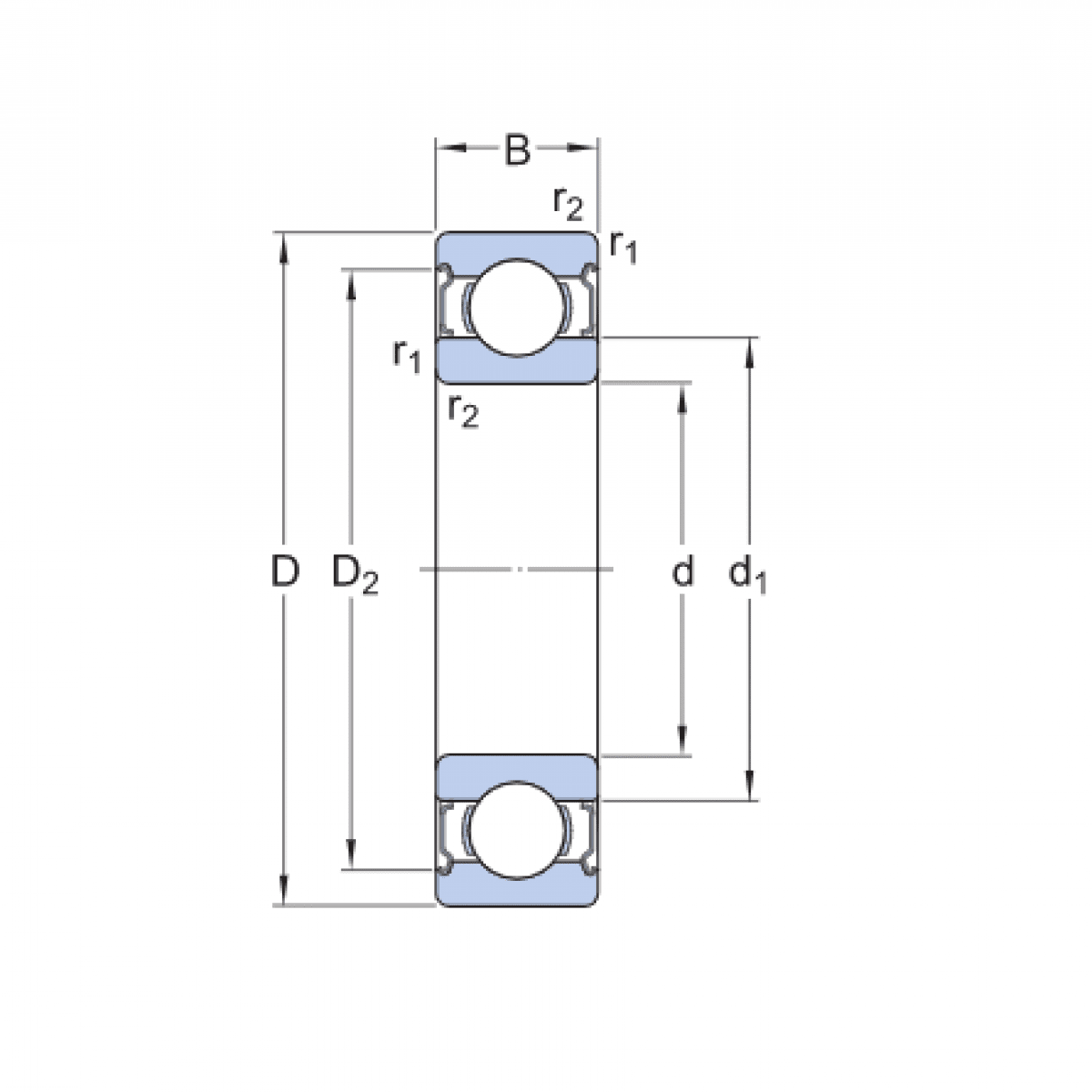
Ložisko 6308 2Z - KG

Rozmer: 40x90x23 Značka: KG
Skladom 1 ks na dopyt
+
-
ks