Ložisko 6308 ZZ C3 - KG

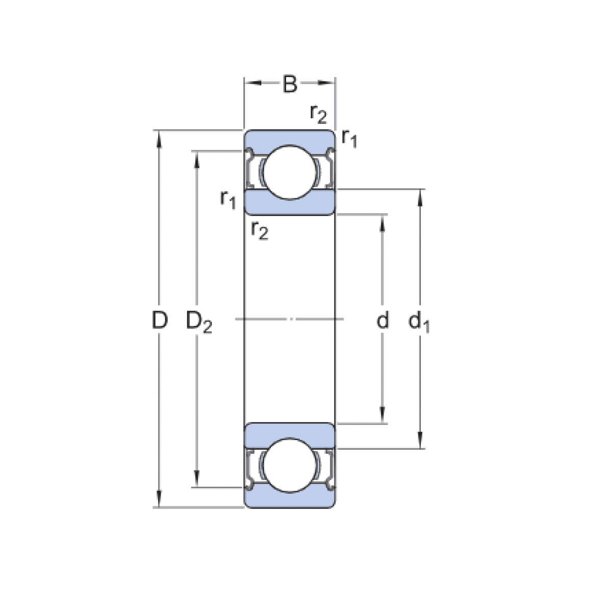
Rozmer: 40x90x23 Značka: KG
Skladom 2 ks na dopyt
+
-
ks