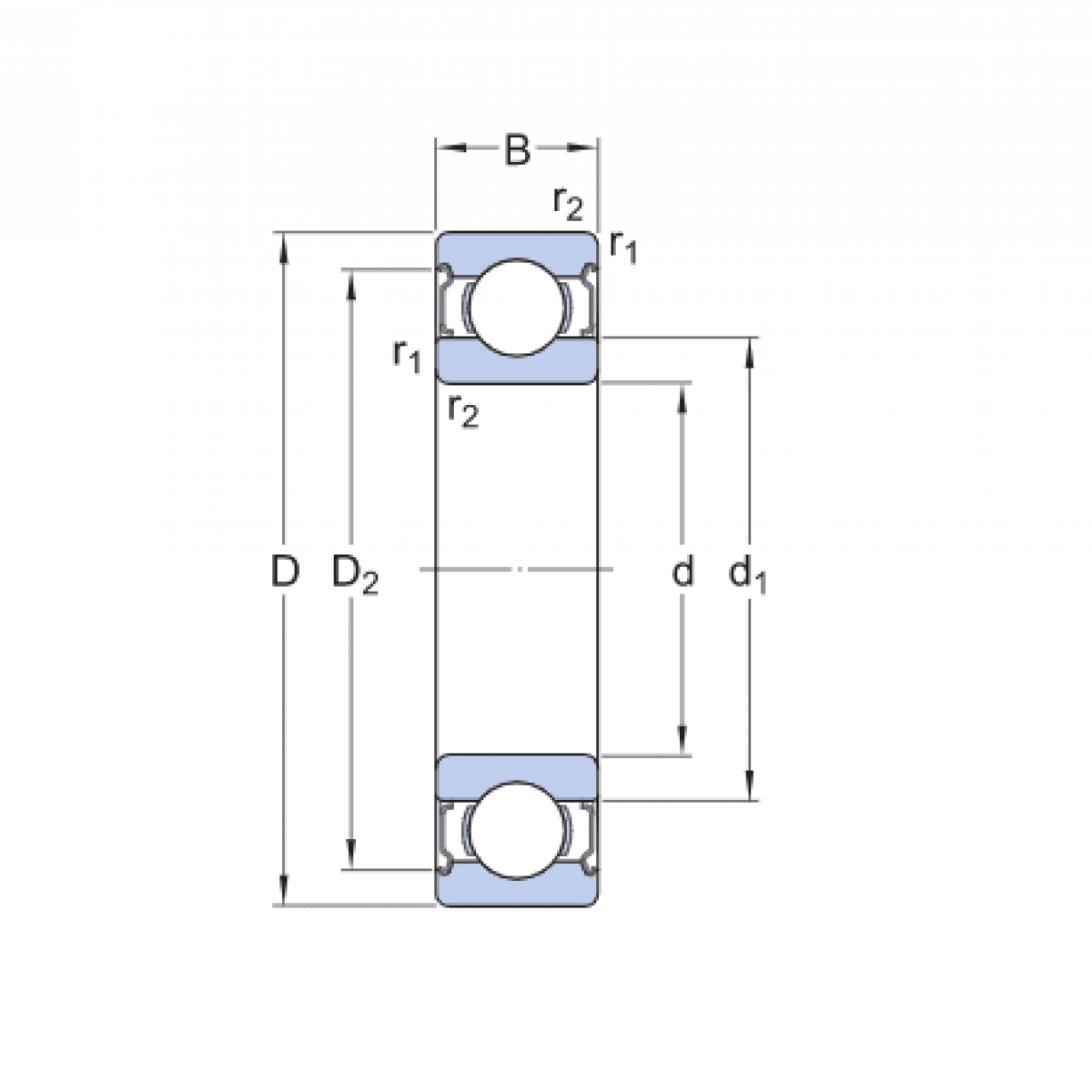
Ložisko 6309 2RS - KG

Rozmer: 45x100x25 Značka: KG
Externý sklad na dopyt
+
-
ks